欢迎您光临 深圳市无界动力有限公司 官方网站!

DA160S-XY30-C010-0.2对位机器人

产品特点:采用内嵌式导轨+有铁芯直线电机;产品优势:尺寸小、精度高、推力大、性价比高;产品应用:主要应用于高精视觉对位系统中的机械执行部分。...
产品内容
技术参数

产品特点:采用内嵌式导轨+有铁芯直线电机;

产品优势:尺寸小、精度高、推力大、性价比高;

产品应用:主要应用于高精视觉对位系统中的机械执行部分。

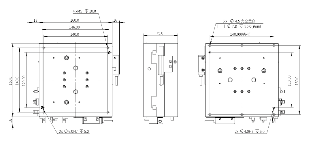
DA160S-XY30-C010-0.2对位机器人  机械尺寸.png

DA160S-XY30-C010-0.2对位机器人 性能参数.png

服务热线

服务热线

13725502025

微信咨询
直线电机/驱动器/德康威尔核心代理商-无界动力
返回顶部